حاول العلماء على مر السنين تطوير خلايا دم حمراء تحاكي خصائص مرغوبة توجد في خلايا الدم الطبيعية، مثل المرونة والقدرة على نقل الأوكسجين والبقاء فترة طويلة في الدورة الدموية. وفيما مضى، لم تملك الخلايا الاصطناعية سوى بعض الخصائص الأساسية المطلوبة. أما الآن فقد قام باحثون بنشر ورقة علمية في مجلة ACS Nano قدموا فيها خلايا دم حمراء اصطناعية تملك جميع قدرات الخلايا الطبيعية إضافة إلى قدرات جديدة، وعنوان الورقة Biomimetic Rebuilding of Multifunctional Red Blood Cells: Modular Design Using Functional Components.

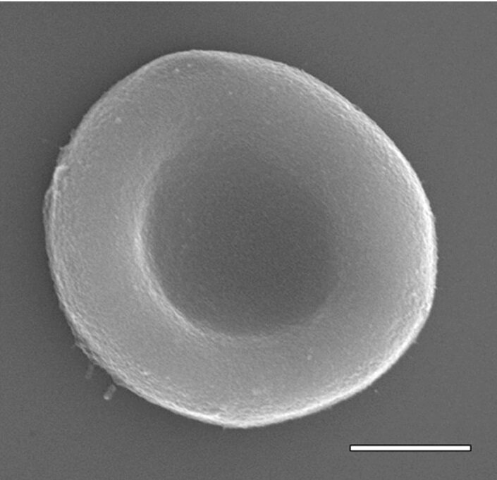
تقوم خلايا الدم الحمراء بنقل الأوكسجين من الرئتين لإيصاله إلى سائر أنسجة الجسم. ويشبه شكل خلية الدم الحمراء القرص، وتحمل عادة ملايين جزيئات الهيموغلوبين (وهي جزيئات پروتين تحتوي الحديد الذي يرتبط بالأوكسجين). وخلايا الدم الحمراء تكون على قدر كبير من المرونة، مما يسمح لها بالانضغاط حتى تمر عبر الشعيرات الدموية الدقيقة، ثم تسترجع شكلها بعد أن تخرج منها. كما أن سطحها يحتوي على پروتينات تسمح لها بالدوران عبر الأوعية الدموية لفترة طويلة دون أن تبتلعها خلايا نظام المناعة.

وقد أراد الباحثان ويه ژو Wei Zhu وسي جفري برنكر C. Jeffrey Brinker وزملائهما أن يصنعوا خلايا دم حمراء اصطناعية تقوم بالوظائف التي تقوم بها الخلايا الطبيعية إضافة إلى قدرتها على القيام بمهام جديدة مثل إيصال جزيئات الدواء، واستهداف أنسجة بشكل مغناطيسي والكشف عن السموم.

وكان تصنيع الخلايا قد تم عبر طلاء خلايا دم حمراء بشرية من متبرعين بطبقة رقيقة من السيليكا. ثم قاموا بوضع طبقة من الپوليمرات ذات الشحنات السالبة والموجبة فوق السيليكا، ثم قاموا بحفّ السيليكا لإزالتها، فخلفت وراءها نسخة مرنة طبق الأصل. وأخيرًا، قام الفريق بطلاء سطح تلك النسخ بأغشية من خلايا دم حمراء طبيعية. فكانت الخلايا التي نتجت عن ذلك مشابهة لتلك الطبيعية من حيث الحجم والشكل والشحنة الكهربائية والپروتينات السطحية، إضافة لمرونتها التي تمكنها من المرور في الشعيرات الضيقة دون أن يتشوه شكلها. وقد دامت هذه الخلايا في الدورة الدموية لدى الفئران مدة 48 ساعة دون مشاهدة أي آثار سمية. ولبرهنة قدرة هذه الخلايا على نقل حمولات متعددة، قام الباحثون باستعمالها لنقل الهيموغلوبين، أو دواء مضاد للسرطان، أو كاشف للسموم أو جسيمات نانوية مغناطيسية، كما أنهم أظهروا كيف أن هذه الخلايا الاصطناعية يمكن أن تلعب دور الطُعْم أو الفخ لنوع محدد من السم البكتيري. والتطبيق الطبي المتوقع مستقبلًا سيستهدف معالجة السرطان والكشف عن السموم.

نقلًا عن Phys.org.